|
|||||||||||||
|
Fri fragt fra 3.995,-
|
|||||||||||||
|
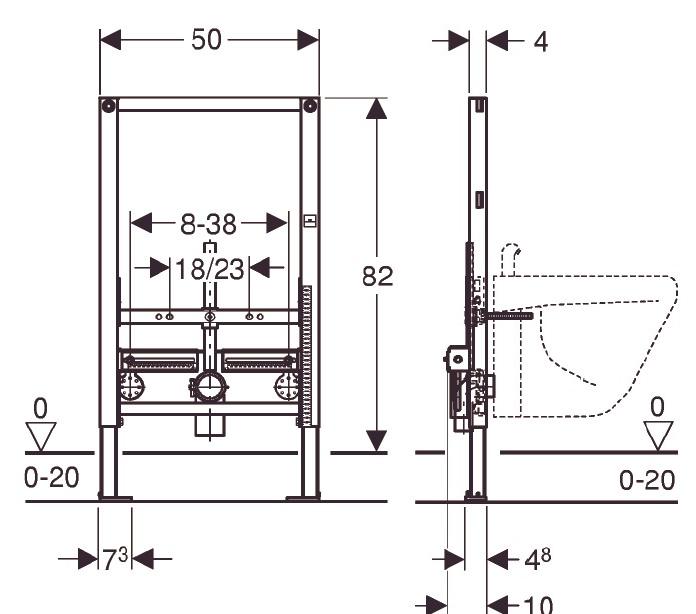
Geberit Duofix bidetelement - lav model. Duofix installationselement for bidet. Med komplet befæstigelsesmateriel. Med 2 stk. M12 bolte for montage af bidet, bolteafstand 18 eller 23 cm. Med dybdeindstillelig plade for armaturtilslutning, passende til koblingsdåse for rør i rørsystemer, inkl. Ø50 mm afløbsbøjning og gummimanchet.
Ved montering foran væg anvendes montagesæt. Se relaterede produkter |

Indhent tilbud her
Fri fragt fra 3.995,-
Godkendt webshop